Visokopodizni viličari s pomičnim kovanim vilicama 500kg/1000kg/1500kg
- nosivost:
- RVV500-KPV – 500kg
- RVV1000-KPV – 1000kg
- RVV1500-KPV – 1500kg
- visina podizanja: 1600 i 2500mm
- vilice:
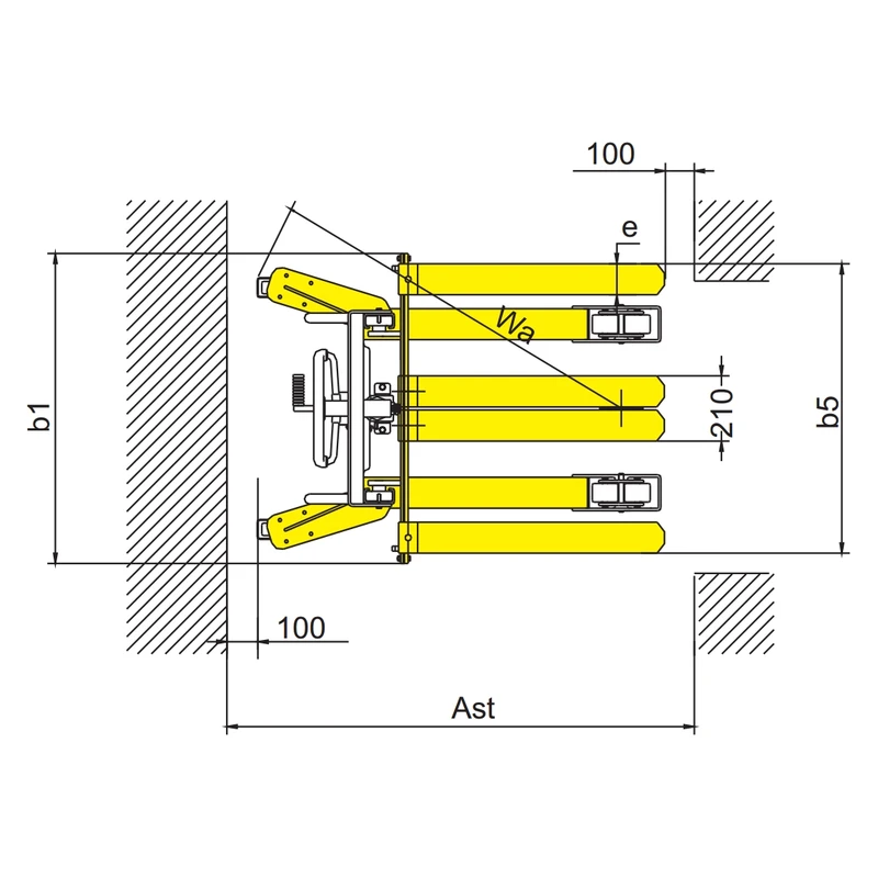
- podesive vilice raspona 200-950mm
- dužina vilica: 800 ili 1600mm
- visina spuštenih vilica: 90mm
- zavarene donje vilice
- viličar od visokokvalitetnog čelika prilagođen za podizanje i prijenos standardnih EU paleta i nestandardnih paleta, sanduka ili drugih teških predmeta
- jednostavno rukovanje
- bez održavanja
- brzina podizanja po stisku pedale za modele:
- 500kg i 1000kg: 25mm
- 1500kg: 21mm
- radijus okretanja: 1235m
- materijal kotača: najlon
- parkirne kočnice na stražnjim kotačima
Visokopodizni viličari s pomičnim kovanim vilicama su izuzetno svestran i ekonomičan alat za rukovanje širokim spektrom tereta, posebno onih nestandardnih dimenzija. Njegova glavna snaga je u prilagodljivosti vilica, što ga čini multifunkcionalnim rješenjem za različite radne zadatke.
Ako vas zanima sva oprema i strojevi za manipuliranje teretom, posjetite naše trgovine:









