Ručni visokopodizni viličar s pomičnim vilicama 1000kg/1500kg:
- nosivost:
- RVV1000-PV – 1000kg
- RVV1500-PV – 1500kg
- idealan za manipuliranje standardnim EU paletama ali i za nestandardne palete i sanduke
- vilice:
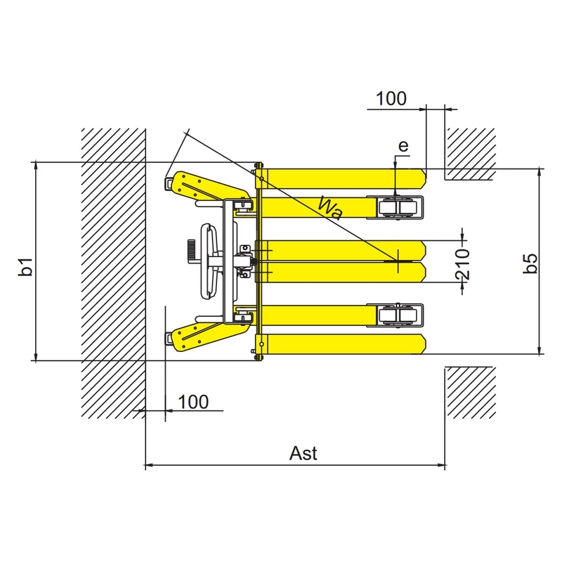
- podesive vilice: 295/310 do 930mm
- dužina vilica: 1150mm
- visina podizanja: 1600 i 2500mm
- viličar napravljen od visokokvalitetnog čelika
- zavarene donje vilice
- materijal kotača: najlon
- parkirne kočnice na zadnjim kotačima
- jednostavno rukovanje, bez održavanja
Ručni visokopodizni viličar s pomičnim vilicama 1000kg/1500kg je izuzetno praktično i isplativo rješenje za tvrtke koje trebaju fleksibilan alat za podizanje i premještanje različitih vrsta paleta i tereta, bez troškova povezanih s električnim ili motornim viličarima.
Ako vas zanima sva oprema i strojevi za manipuliranje teretom, posjetite naše trgovine:







