Električni čeoni viličar stand-up (stajaći) – Tehničke specifikacije:
- Nosivost: 2000kg
- Visina podizanja: 2500/5600mm
- Pogon na stražnje kotače
Sigurnost i stabilnost:
- Električni čeoni viličar stand-up ima stojeći dizajn kabine za veliku preglednost prilikom ulaska/izlaska iz kontenjera ili pri transportu proizvoda kroz zakrčene prolaze
- Električni čeoni viličar sa uvoznim pogonskim kotačem i stupom
- Višenamjenski LED zaslon prikazuje trenutno stanje baterije, kod za greške, smjer vožnje, mjerač radnih sati, stanje kočenja itd.
- Napredni AC kontrolni sustav nudi snažnu pogonsku sposobnost, motor bez četkica s generatorskom kočnicom
- Dostupne su tri vrste pogonskih brzina: mala brzina, normalna brzina i velika brzina
- Višenamjenski “Joy-stick” kontroler može upravljati naprijed/unatrag, podizanje/spuštanje stupa, postavljanjem vilica i bočnim pomakom
- Njemački proizvedeni magnetski višetruki ventil omogućuje podesivu brzinu spuštanja i podizanja
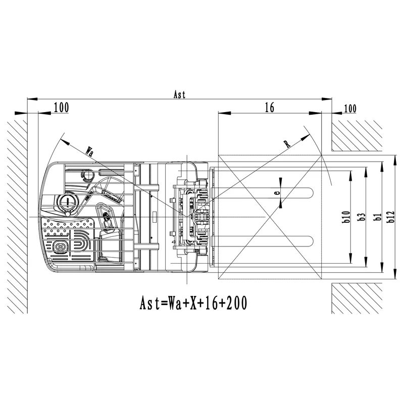
- Najmanja širina prolaza je 3060mm
- Okretni radijus: 1440mm
Ergonomija:
- Podesivi naslon za ruku, pogodan za vozače različitih visina
- Velika platforma za stajanje dizajnirana za udobnost
Jednostavnost servisa:
- Električni sustav je lako dostupan otvaranjem prednjeg poklopca
- Pogonski i podizni motori bez četkica se napajaju izmjeničnom strujom, zamjena vanjskih kodera je jednostavna
- Olakšani pristup bočno postavljenoj bateriji
- Funkcija podizanja se automatski isključuje kada se baterija isprazni preko 80%
- Višenamjenski zaslon prikazuje kodove grešaka za jednostavno prepoznavanje problema
Nudi 6 vrsta kontrole brzine:
- Sustav regulirane hidraulične brzine: automatski regulira nagib i stabilnu brzinu bočnog pomaka
- Kontrola brzine vožnje: viličar može automatski kontrolirati brzinu vožnje i kočenje ovisno o visini vilica i drugih radnih uvjeta
- Kontrola brzine u zavojima: brzina se automatski prilagođava tijekom vožnje
- Kontrola brzine rampe: sve dok se vozač ne počne kretati naprijed konstantnom brzinom, inteligentni sustav upravljanja može zadržati vozilo zaustavljeno na rampi
- Sigurna kontrola brzine: ako operaterova noga napusti platformu za stajanje, viličar će automatski usporiti
- Kontrola brzine podizanja/spuštanja
- Korištenjem upravljačke ručke, rukovatelj može mijenjati brzinu
Opcije:
- Svjetlo za čitanje
- Električni ventilator
- Bočni pomak i ostali pribor viličara
Električni čeoni viličar stand-up nudi širok raspon prednosti, što ga čini popularnim izborom među tvrtkama koje traže održiva i isplativa rješenja za svoje potrebe dizanja i transporta.
Ako vas zanima sva oprema i strojevi za manipuliranje teretom, posjetite naše trgovine:











