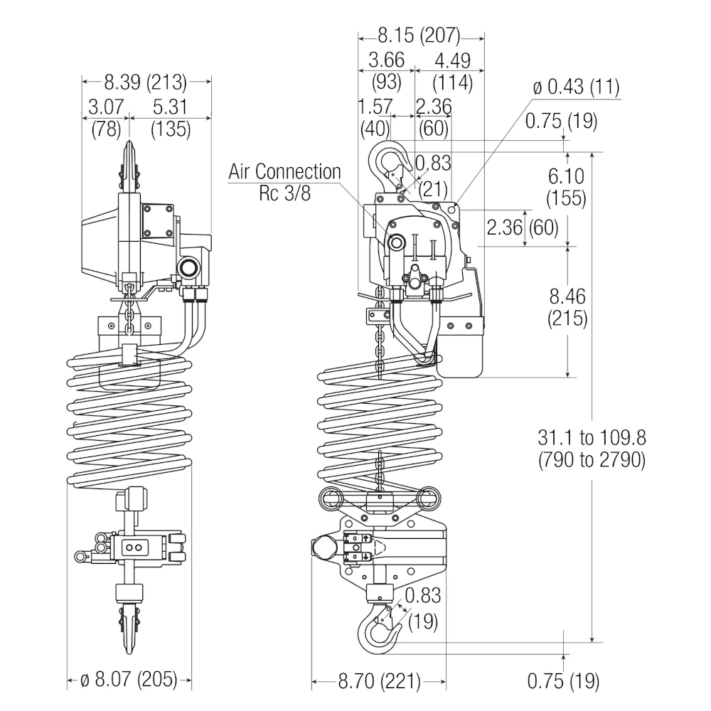
ATEX pneumatska lančana dizalica ENDO-ATC serija – 60/125kg:
- Zemlja proizvodnje: Japan
- Modeli:
- ENDO ATC-60K-5 –
- nosivost: 60kg
- brzine podizanja: 14, 17.5, 20m/min
- neto težina: 14,3kg
- ENDO ATC-125K-5 –
- nosivost: 125kg
- brzine podizanja: 6.5, 10.5, 12m/min
- neto težina: 14,5kg
- ENDO ATC-60K-5 –
- Lanac:
- materijal lanca: legirani čelik koji ima izvrsnu žilavost i otpornost na habanje
- standardna dužina teretnog lanca: 3m (može se produžiti)
- promjer lanca: 4x12mm
- Upravljač:
- upravljačko tipkalo: 2 kontrolna gumba i sigurnosni STOP gumb
- tipkalo omogućuje precizno upravljanje, brzina je podesiva
- komande integrirane na donju kuku
- Zrak:
- tlak: 0,4-0,6Mpa
- ulaz zraka: Rc 3/8
- komprimirani zrak mora biti podmazan i filtriran
- ATEX pneumatska lančana dizalica ENDO-ATC:
- kombaktna, lagana i robusna konstrukcija
- neto težina: 14,3/14,5kg (ovisno o modelu)
- može se montirati na pneumatksa ili ovjesna kolica
- protueksplozijska zaštita
Ako vas zanima sva oprema i strojevi za manipuliranje teretom, posjetite naše trgovine:





